

产品说明 | 测量用 仪器、仪表用 保护用 | |||||
性能指标 | 参数 | 符号 | 指标 | |||
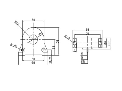
主要尺寸 | -- | 内孔/外径/厚度/高度 | ||||
(18~27mm/35~60mm/17~23 23~33mm) | ||||||
一次电流 | In | 0~200A | ||||
二次输出电流 | IO | 0~1或0~10V | ||||
负载电阻 | RL | >10kΩ(<1kΩ) | ||||
精度等级 | ρ | 0.1.0.2、0.5 级 | ||||
线性范围 | - | 5%~120% | ||||
额定点相位差 | δ | 5ˊ~15ˊ | ||||
耐压 | Vd | 3000V/min | ||||
绝缘强度 | - | 1000MΩ/500V/min | ||||
工作温度 | Ta | -25℃ ~ +65℃ | ||||
存储温度 | Ts | -40℃ ~ +80℃ | ||||
工作频率 | f | 45Hz ~1500Hz | ||||
相对湿度 | - | <90% | ||||
外壳材料 | - | 阻燃PBT/阻燃ABS | ||||
产品特点 | ■ 采用环氧树脂封灌 符合ROHS,抗震性能好。 | |||||
■ 采用穿孔方式,便于母线安装。 | ||||||
■ 采用高导磁材料,测量范围宽。 | ||||||
■ 外形美观大方,体积较小,使用灵活。 | ||||||
产品应用 |
| |||||
主要规格 | 输入 | 输出 | 负载 | 精度 | 相位差 | 线性范围 |
20A | 10mA | 200Ω | 0.1 | <15ˊ | 5%~120% | |
50A | 20mA | 200Ω | 0.1 | <15ˊ | 5%~120% | |
100A | 50mA | 200Ω | 0.1 | <15ˊ | 5%~120% | |
200A | 100mA | 200Ω | 0.1 | <20ˊ | 5%~120% | |
|
|
|
|
|
| |
注意事项 | ■ 使用时,输出方式既可以用引线输出,也可用接插件输出。 | |||||